★Gaze Reconnaissance: Integrates high-definition visible light cameras, cooled or uncooled infrared thermal imagers, laser rangefinders, and high-precision gyroscopes. Features AI tracking and multispectral imaging for detecting drones, personnel, and vehicles.
★Search and Track (IRST): Utilizes perimeter scanning infrared imaging and brushless torque motors. Capable of rapid detection and image fusion, stitching scanned images for comprehensive perimeter awareness.
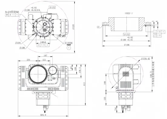
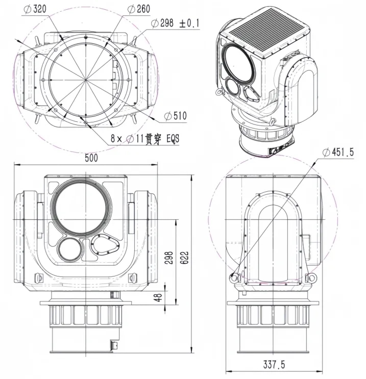
LT-CUAS Series: Features multispectral imaging (visible/IR/Laser) for 24/7 reconnaissance. Modular design allows for multiple payload configurations. Enhanced by inertial navigation for high-precision stabilization and vehicular positioning. Compact, lightweight, and EMC compliant.
LT-MTS4UR & LT-IRST40UR: Specialized for day-night tracking and AI recognition. These units maintain excellent stabilization performance even in extreme vehicular environments, featuring structural-circuit integration for maximum durability.








| Operating Range Azimuth | n×360° |
| Operating Range Elevation | -10° to +85° / -90° to +90° |
| Maximum Tracking Speed | 25°/s |
| Power Input | DC18V~33V |
| Operating Temperature | -40℃ to +55℃ |
| Control Interface | CAN / RS422 |
| Video Interface | HD-SDI / Ethernet |
| AI Recognition | Supported |
| Auto Tracking | Supported |
As a national high-tech enterprise, we focus on three core technologies: "unmanned equipment detection and combat integrated systems", "multispectral image processing", and "high-precision servo control".