The airborne guidance pod is an essential equipment in modern warfare that guides guided weapon systems to carry out precise strikes on targets by capturing, identifying, and tracking them. The guidance pod improves the strike capability, self disturbance rejection capability, and identification and tracking ability of the guided weapon system to deal with complex battlefield environments.
LM80-2-1: Features dual-light combination of visible light and infrared, enabling day-and-night reconnaissance. Equipped with target tracking, recognition, and image compression capabilities. Weight: < 260g.
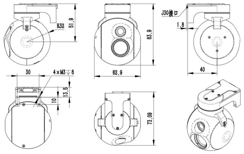
LM80-2-2: Features dual visible light imaging, suitable for reconnaissance of targets at various distances. Weight: < 240g.
LM110-1-35 / LM120-1-40: Features fixed focus infrared imaging with day and night monitoring capability. Weight: 380-460g.
LM120-4: Quad-light combination of dual visible light, infrared, and laser for day-and-night reconnaissance and measurement. Weight: < 500g.


LM80-2-1
LM80-2-2
LM110-1-35/120-1-40
LM120-4
| AI Recognition Function | Yes |
| Tracking Function | Yes |
| Heading Range | -145°~+145° |
| Pitch Range | -110°~+40° |
| Max Angular Velocity | ≥100°/s |
| Tracking Speed | ≥40°/s |
| Stabilization Accuracy | 0.1mrad (1σ, 1°/2Hz) |
| Angular Position Accuracy | ≤ 0.3° (RMS) |
| Control Interface | RS232 / RS422 / UART (Optional) |
| Video Interface | Fast Ethernet |
| Shock Resistance | ≥120g 10ms / ≥200g 6ms |
| Power Consumption | Average: ≤10W / Maximum: ≤20W |